硬布线控制实验
本实验为软件工程专业选做实验。
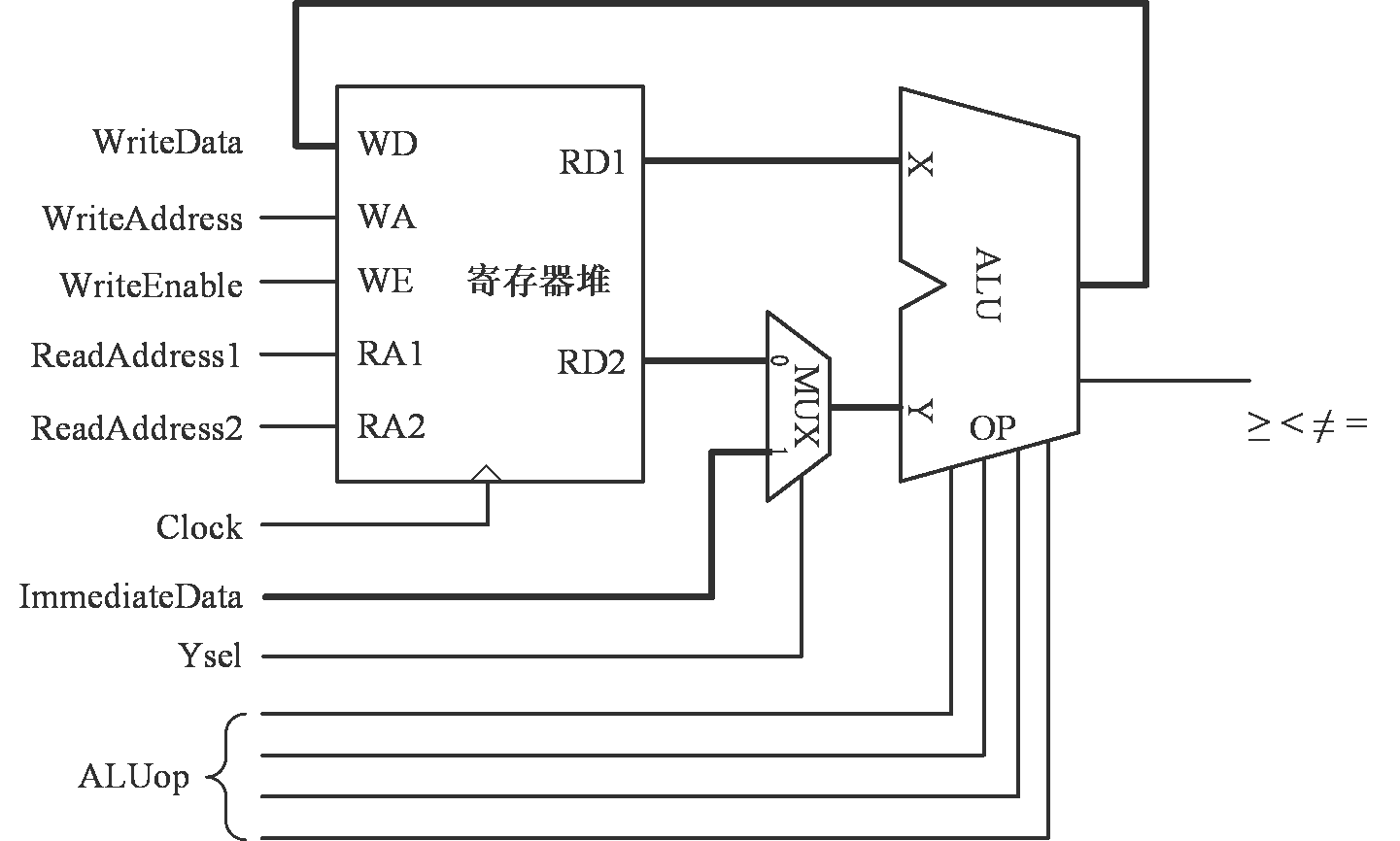
单周期数据通路
“周期”是指时钟周期,如果完成一次运算只需要一个时钟周期,就称为单周期数据通路;需要几个时钟周期才能完成一次运算则称为多周期数据通路。单周期数据通路很容易演变为流水线数据通路,多为RISC处理器采用。
本实验分为单周期数据通路和硬布线控制两部分。在数据通路部分,通过开关手动输入控制信号完成运算过程是;然后在硬布线控制部分,通过指令指挥控制器产生控制信号完成运算过程。
原理
图 1是本实验的单周期数据通路,该数据通路使用了前面实验中的ALU和三端口寄存器堆,2个读端口向ALU的两个输入端提供运算数据,1个写端口接收ALU的运算结果,可以一个周期完成读数据、运算、存结果。ALU模块使用前面算术逻辑单元实验中自己设计的ALU,ALUop的编码和比较运算均按照前面实验的要求;三端口寄存器堆使用存储器实验中完成的。实验材料给出了VirtualBoard模块的代码,包含了对ALU和寄存器堆的实例化。

硬布线控制
在上面数据通路的基础上,增加指令存储器、控制器等部件,可以看成是一个简单的CPU。原理框图如图 2。

指令系统
包含运算器和控制器的实验电路看成是一个简单的CPU,根据ALU所能够实现算术及逻辑运算功能,以及运算器数据通路的结构,设计了R型和I型运算指令以及B型分支指令,指令格式如下。
13 |
10 |
9 |
8 |
7 |
6 |
5 |
4 |
3 |
0 |
|
OPCODE |
Rs1 |
Rs2 |
Rd |
Imm |
指令功能及操作码编码见表 1。R型指令的两个源操作数均来自寄存器,分别由Rs1和Rs2给出寄存器号。I型指令的一个源操作数来自寄存器,由Rs1给出寄存器号;另一个源操作数是立即数,由指令的Imm字段提供。运算结果存入由Rd指定的寄存器中。B型指令根据rs1和rs2的大小关系决定是顺序执行下一条指令,还是跳转去执行地址为Imm的指令。
指令类型 | 指令助记符 | OPCODE | 功能 |
---|---|---|---|
R型 |
add rd, rs1, rs2 |
0001 |
rd←(rs1)+(rs2) |
sub rd, rs1, rs2 |
0010 |
rd←(rs1)-(rs2) |
|
and rd, rs1, rs2 |
0011 |
rd←(rs1)∧(rs2) |
|
or rd, rs1, rs2 |
0100 |
rd←(rs1)∨(rs2) |
|
xor rd, rs1, rs2 |
0101 |
rd←(rs1)⊕(rs2) |
|
I型 |
addi rd, rs1, #imm |
0110 |
rd←(rs1)+imm |
andi rd, rs1, #imm |
0111 |
rd←(rs1)∧imm |
|
ori rd, rs1, #imm |
1000 |
rd←(rs1)∨imm |
|
xori rd, rs1, #imm |
1001 |
rd←(rs1)⊕imm |
|
B型 |
beq rs1, rs2, #imm |
1010 |
if (rs1=rs2) goto imm |
bne rs1, rs2, #imm |
1011 |
if (rs1≠rs2) goto imm |
|
blt rs1, rs2, #imm |
1100 |
if (rs1<rs2) goto imm |
|
bge rs1, rs2, #imm |
1101 |
if (rs1≥rs2) goto imm |
指令部件
指令存储器的字长是14位,有16个存储单元,可以存放16条指令。因此指令存储器的地址需4位,由程序计数器PC提供。复位时PC值为0,即第一条指令的地址。在Clk上升沿到来时,如果Load为1,则将Imm装入PC,实现程序转移;否则PC值加1,即顺序执行。
指令存储器是只读存储器,可以使用存储器实验中的ROM模块,在初始化部分写入要执行的指令编码。下面的例子给出了4条指令的编码。
logic [13:0] mem[0:15]; initial begin // 13__10 9_8 7_6 54 3_0 // OPCODE Rs1 Rs2 Rd Imm mem[0] = 14'b0110_00_00_01_0101; // addi r1, r0, #5 mem[1] = 14'b1000_00_00_10_1010; // ori r2, r0, #10 mem[2] = 14'b0010_01_10_11_0000; // sub r3, r1, r2 mem[3] = 14'b1011_10_11_00_0000; // bne r2, r3, #0 end
控制器
控制器以指令opcode作为输入,为数据通路中所有单元产生控制信号。
图 2单周期数据通路中,需要如下控制信号:
(1)PC的load信号:为0时,PC加1;为1时,PC装载来自imm的立即数。
(2)寄存器堆的写入信号:为1时,寄存器堆执行写入操作。
(3)多路器的选择信号:为0时,ALU的Y操作数,来自寄存器堆的RD2输出;为1时,ALU的Y操作数,来自立即数imm。
(4)ALU的运算控制信号ALUop:根据之前ALU实验的设计要求,操作对应的编码为:
ALUop(4位) | 功能 |
---|---|
0001 |
ADD |
0010 |
SUB |
0011 |
AND |
0100 |
OR |
0101 |
XOR |
数据通路中的指令存储器,内容在设计时预先写入,只提供读访问,根据输入地址,输出该地址单元存储的内容,不需要控制器产生控制信号。
因为指令系统的简单和规整,对控制器的设计,就是设计译码过程来确定控制信号。对于指令系统中的R型和I型指令,控制器根据opcode的值,译码产生数据通路上的各个控制信号,实现指令功能。对于指令系统中的B型指令,控制器还需要来自ALU产生的标志位或者比较结果,与Opcode的值一起,译码产生控制信号。
实验任务
用HDL设计图 2电路。控制器根据opcode产生相应的控制信号。在实验平台验证设计。