单周期数据通路实验(Ⅱ)

本实验为选做实验。

实验目的

1.理解单周期数据通路的组成结构。

2.掌握单周期数据通路信息加工过程。

3.锻炼分析问题与解决问题的能力。

实验原理

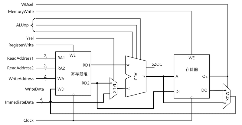
图 1是本实验的单周期数据通路,该数据通路使用了前面实验完成的ALU三端口寄存器堆RAM存储器。 和运算器数据通路相比,增加了存储器。 ALU输入端X的运算数据来自寄存器堆的RD1读端口,另一个输入端Y的运算数据可以来自寄存器堆的RD2读端口,或者来自立即数;ALU的运算结果F可以作为寄存器堆的写数据WD,也可以作为存储器的地址A。 DI是存储器的数据输入端口,写入存储器的数据由寄存器堆的RD2读端口提供。 寄存器堆写端口WD的数据除了可以来自ALU的运算结果,也可以来自存储器的读出数据DO。 该数据通路可以在一个周期内完成一次完整的ALU运算或者一次存储器访问,这里所说的“完整的ALU运算”包括从寄存器堆读数据、ALU运算、运算结果保存到寄存器堆。

单周期数据通路
图 1. 单周期数据通路

实验任务

设计任务

用Digital仿真软件按照图 1绘制电路图。 ALU和三端口寄存器堆使用前面实验完成的。 存储器使用随机存取存储器(RAM)实验中已经熟悉的RAM组件。

图中存储器的OE端口也可以固定接常量1,即始终读出。

验证任务

依次完成以下验证任务,分析实验数据,判断结果的正确性。 若结果与预期不符,尝试分析故障现象并排除故障,提升分析问题与解决问题的能力。 最后保存仿真过程数据文件。

  1. 常数写入寄存器堆

    将2个常数存入R1、R2寄存器。

    常数通过ImmediateData输入引脚送入。从图 1可以看出,ImmediateData并没有直接连在寄存器堆的写端口,而是经过多路器后送到了ALU的Y输入端;所以要将ImmediateData送到寄存器堆的写端口,必须经过ALU。在前面寄存器堆的实验中已经设计R0寄存器的值恒为0,可以用ALU将ImmediateData加上R0寄存器值,将ImmediateData传送到寄存器堆的写端口。

    存入的常数应有助于判别下面将要验证的各种运算结果是否正确,可参考加减运算电路实验。

  2. 寄存器数据写入RAM

    将R1和R2寄存器的内容,分别写入到存储器的0号单元和1号单元中。即

    R1 → Mem[0];

    R2 → Mem[1];

  3. 完成完成两个寄存器之间的各种ALU运算,并将结果存入存储器的2~6号单元。即

    R1 + R2 → R3; R3 → Mem[2];

    R1 − R2 → R3; R3 → Mem[3];

    R1 & R2 → R3; R3 → Mem[4];

    R1 | R2 → R3; R3 → Mem[5];

    R1 ⊕ R2 → R3; R3 → Mem[6];

  4. 完成寄存器和立即数之间的运算,并将结果存入存储器。如:

    R2 ⊕ 0b1111 → R3; R3 → Mem[7];

  5. 依次读出存储器的0~7号单元内容并验证结果是否正确。

  6. 设计更复杂的数据通路操作。

    例如,将两个存储单元的内容相加,结果存入另一存储单元。